Комплексная система Model Studio CS

Обеспечит автоматизацию проектной деятельности при оптимальной совокупной стоимости решения.

Трехмерное и информационное проектирование является наиболее эффективным направлением автоматизации проектных работ. Программных средств, позволяющих автоматизировать рабочее место проектировщика, много, но большинство из них способно решить лишь частные задачи инженера, никак не помогая ни в организации процессов коллективной работы и комплексного проектирования, ни в управлении ими.

Подробнее о продукте

icon

СПДС Железобетон

от 31 600 ₽

Также получить консультацию по программному продукту можете через мессенджеры

СПДС Железобетон — специализированный продукт, который предназначен для автоматизации проектирования железобетонных конструкций и оформления проектно-конструкторской документации разделов КЖ, КЖИ.

Все описание

Задачи

Разработка структуры железобетонных конструкций: колонн, фундаментов, стен, плит покрытия и перекрытия и т.п.;
Создание планов, схем и разрезов железобетонных конструкций;
Автоматическое формирование спецификаций и ведомости расхода стали по составу проекта;
Оформление чертежей согласно ГОСТ 21.501−2018 Система проектной документации для строительства (СПДС).
Все задачи

О продукте

В качестве графической платформы СПДС Железобетон обязательно используется надстройка к AutoCAD — СПДС GraphiCS.

Назначение программы: Ускорить подготовку графической конструкторской документации в рамках разделов КЖ, КЖИ.

Задачи

Разработка структуры железобетонных конструкций: колонн, фундаментов, стен, плит покрытия и перекрытия и т.п..
Создание планов, схем и разрезов железобетонных конструкций.
Автоматическое формирование спецификаций и ведомости расхода стали по составу проекта.
Оформление чертежей согласно ГОСТ 21.501−2018 Система проектной документации для строительства (СПДС).
Правила выполнения рабочей документации архитектурных и конструктивных решений.

Возможности

Менеджер проекта

Менеджер проекта — инструмент, позволяющий организовать структуру проекта по сборочным единицам и элементному составу. В менеджере проекта отображаются разделы проекта, сборки и состав элементов с параметрами, заданными ранее: маркой, обозначением и наименованием. Менеджер проекта позволяет редактировать параметры элементов, подсвечивать выбранный элемент на чертеже, копировать, перемещать элемен…

Команда "Арматурный стержень"

Выбор профилей арматурного проката и материала стали по ГОСТ; Возможность построения по точкам либо последовательным выбором прямолинейных или дуговых участков, а также по полилинии (с ассоциативной привязкой); Параметрическое задание стержню выпусков и типа анкеровки; Возможность выбора проекционного вида (сверху, снизу, спереди и т.д.); Возможность выбора вида отображения (линия, заливка, …

Команда "Сечение арматуры"

Для сечения арматурного стержня реализованы следующие инструменты построения, задания и редактирования атрибутивной информации:

  • ассоциативная геометрическая привязка к стержням, параметрическое задание положения с отступом;
  • автоматическое распределение сечений по линейному участку с заданным шагом.

Команды "Шпилька", "Скоба"

Построение шпилек и скоб определяется последовательным указанием сечений арматуры либо предварительным выбором двух сечений арматуры.

Команда "Хомут"

Построение хомутов определяется последовательным указанием сечений арматуры. Если предварительно выбрать четыре или восемь сечений арматуры, автоматически отрисуется одна из типовых форм хомутов.

Команда "Раскладка арматуры"

Инструменты распределения арматуры позволяют выполнять следующие действия: параметрическое задание шага, количества стержней и направления распределения; поддержка нескольких диапазонов распределения с разными параметрами раскладки в указанном направлении; редактирование исходного объекта после создания распределения; виды представления распределения: полное, условное, конечные стержни; зад…

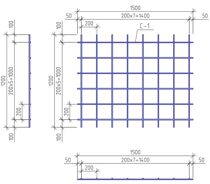
Команда "Сетка"

Для сварных сеток разработаны шаблоны по ГОСТ 23279–85 и ГОСТ 23279–2012. Доступна возможность создания пользовательской арматурной сетки. Задание и редактирование параметров сетки через окно диалога или инспектор свойств; На сетках автоматически проставляются размеры, создается марка изделия с позиционными выносками, вычисляется общая масса сетки; Подрезка сеток. Учет подрезки сетки в специф…

Команда "Фоновое армирование"

Для замкнутой площади можно выполнить раскладку фоновой арматуры с учетом величины выпуска стержней. Задание и редактирование параметров армирования через инспектор свойств; Для фонового армирования создается марка изделия с позиционными выносками, вычисляется общая масса изделия; Подрезка фоновой арматуры. Учет подрезки сетки в спецификациях; Редактирование геометрии фонового армирования с …

Команда "Вставка сваи"

Сваи разработаны по серии 1.011.1−10 Сваи забивные железобетонные. Выбор различных типоразмеров свай по серии 1.011.1−10; Задание и редактирование параметров сваи через окно диалога или инспектор свойств; На сваях автоматически создается марка изделия с позиционными выносками; Виды представления сваи: полное, условное; Ассоциативная связь параметров между сваями одной марки; Возможность вы…

Команда "Показать элементы в спецификации"

При запуске команды Показать элементы в спецификации подсвечиваются все вставки элемента на чертеже. Если вставка входит в спецификацию, то цвет подсветки — зеленый, если не входит — красный. С помощью селекции можно поменять состояние свойства Включать в спецификацию.

Команда "Вставка сборки"

Команда позволяет преобразовывать набор объектов во вставку сборки. Вставка сборки поддерживает ассоциативную связь параметров с исходными объектами. При редактировании меняются как исходный объект, так и его параметры на всех вставках сборки. Вставка сборки создается из вида. Вид при вставке подсвечивается зеленой рамкой. Примечание. Вид, в который можно осуществить вставку сборки, должен принад…

Команда "Выбрать объекты на чертеже"

Команда позволяет выбрать на чертеже все объекты данной марки.

База элементов

Параметрическая база железобетонных конструкций содержит большое количество таких объектов, как:

  • закладные изделия;
  • каналы и лотки;
  • колонны;
  • лестничные марши, площадки, проступи и рамы;
  • перемычки;
  • плиты покрытия и перекрытия;
  • ригели;
  • сваи.

Спецификации

Для любой сборочной единицы могут быть автоматически сформированы:

  • спецификация элементов;
  • групповая спецификация;
  • ведомость деталей;
  • ведомость расхода стали.

Панель инструментов

Все инструменты работы с программой расположены на одной вкладке ленты.

Конфигурации

Преимущества

Работа в среде AutoCAD с использованием функционала СПДС GraphiCS
Быстрые и гибкие инструменты нанесения и редактирования арматуры
Автоматическое назначение позиций, марок и их отображение на чертеже
Полностью автоматическая ассоциативная связь чертежей и проекта
Полностью автоматический расчет и формирование спецификаций

Новые возможности

Обеспечена поддержка AutoCAD 2024

В Базу элементов добавлены перемычки по Серии 1.038.1−1, выпуск 1

Добавлена возможность копирования узлов между сборками

Добавлена возможность быстрого выбора всех блоков в рабочем пространстве

Реализовано автообновление спецификаций (спецификации элементов, ведомость расхода стали, групповая спецификация, ведомость деталей)

Появилась возможность добавить штриховку на арматурные стержни

Реализовано построение хомута по окружности из сечений стержней

Появилась ассоциативная привязка хомутов, шпилек, скоб к арматурным сеткам и фоновому армированию

Добавлены выносные и угловые размеры для ведомости деталей

О разработчике

Магма-Компьютер Магма-Компьютер работает на отечественном рынке программного обеспечения с 1996 года. Высококвалифицированные специалисты создают специализированные программные решения. Компания разрабатывает САПР-решения в области машиностроения, промышленного и гражданского строительства, архитектурного проектирования, а также системы электронного документооборота, обработки сканированных чертежей, векторизации и гибридного редактирования. Все началось с первого успешного алгоритма, позволяющего находить на растре типовые объекты (диоды, резисторы; окна, сантехнику), и через год удалось распознавать стены, колонны и двери на сканированных поэтажных планах, а затем и редактировать их, делать отчеты. Впоследствии эта программа была внедрена в половину российских БТИ. В начале 2000-х компания уже писала программы для машиностроительного и архитектурно-строительного рынка САПР, а впоследствии взялись за технический документооборот. За 27 лет работы компанией Магма-Компьютер выпущен обширный список коробочных решений и программ по индивидуальному заказу, среди которых: TDMS Фарватер, СПДС Металлоконструкции, СПДС Стройплощадка и другое.

Мероприятия

Сертификаты и свидетельства

Документы, подтверждающие право на реализацию программного обеспечения, а также на проведение обучающих программ по представленному ПО.

Смотреть сертификаты

Подпишитесь на рассылку и получайте первым информацию о предстоящих мероприятиях

Оставить заявку

Наш менеджер свяжется с вами для обсуждения запроса.